NY State Emergency Management Offices

With considerable help from Duncan Brown and Fred Gephart--thanks, guys!

Navigational aids: Back to JP's Radio Homepage
Back to TMC Home Page
Back to TMC History Page
 

Background

At the height of the cold war in the mid-60's, the New York Office of Civil Defense (OCD), later renamed State Emergency Management Office (SEMO), built about a half-dozen Communications Centers distributed around the state.  From the beginning, TMC was chosen as the vendor for the communications equipment for the sites.  Evidently discussions were proceeding between NY OCD and TMC as early as 1963, as indicated in the Letter & Project Application.  It is not clear if this application became an order, but RFQ's were issued in 1964, and it appears that the stations were built and equipped over the next couple of years.  They consisted a Master Control Station at Albany, and a half-dozen Auxiliary Sites scattered around the state, housed in underground bunkers that could sustain about 50-100 people for 2 weeks.  These sites were clearly intended to deal with man-made disasters of the nuclear kind. Western New York was served by a site at Batavia, NY, the Hudson Valley by the Poughkeepsie site, northern New York by the Queensbury (Glen Falls) site, and the Finger Lakes district was served by a site at Newark, NY, the last of the sites to be built.

There is some confusion about the number and location of the Auxiliary-Site bunkers that were eventually built.  From the TMC literature (see SYM-2007, Figure 1-1), in addition to Master Control at Albany, there were seven sites originally planned, at Saratoga, Poughkeepsie, Bronx, Binghampton, Newark, Sonyea, and Marcy.   In the final build-out, Region V's site was moved to Batavia, Region IV to Oneida (East Syracuse), and Region III to Glen Falls (Queensbury).  The planned station at Binghamton wasn't built, but a 3rd site in Region III at Oneonta was chosen.  Oneonta was apparently selected as the backup for the Albany Headquarters site.  The 7 stations, along with their callsigns and locations, are shown in the table below. 

It is not clear at this point where the Region I SEMO site is located.. perhaps Hauppage?  If you live on Long Island, and have time to kill, explore the area around 250 Memorial Highway and see if you can find remnants of a SEMO bunker!

The callsigns for the 7 original stations in the SEMO network were:

KXD-247 Headquarters, Albany, New York
KXD-248 Western District Office, Batavia, NY
KXD-249 Northern District Office, Glens Falls, NY
KXD-250 Central District Office, Oneida, NY
KXD-251 Eastern District Office, Oneonta, NY
KXD-252 Southern District Office, Poughkeepsie, NY
KXE-530 Lake District Office, Newark, NY

Present-day State Emergency Management Offices are located as shown in the map above, a main office at Albany, and regional offices for each of the five Management Districts.  As mentioned, two of these sites (Newark and Poughkeepsie) were in the original plan.  Examination of satellite views of the Queensbury/Glen Falls site indicates that it includes a bunker and antennas installed in the 60's.   Rumors circulated about a site at SUNY Oneonta in southern Ostego County, and this  has been confirmed by Duncan Brown (AWA Museum), and  Christopher Romanchek (KD2PFE), who has researched the site extensively.  There is some evidence that the Oneonta site could be used as a backup for the Headquarters site at Albany, in case the bad thing happened. 

Before the Newark site was finished, the state decided the centers weren't needed, or perhaps ran out of money to complete them, and cancelled the program.  However, it turned out to be cheaper to finish the Newark site than to pay for canceling the contract.  Around 1970, the state decided to reactivate all of the sites.  

At about the same time a group (including a present AWA museum curator) was starting up an amateur radio club in the Newark area, and they were able to get some space in the Newark SEMO facility for locating ARES/RACES equipment, and to hold meetings. The site was apparently built with ARES/RACES in mind, as at the top of the 200' tower is a 4 boom 2M Yagi array. And about half way up the tower there is a 5 el 6M Yagi antenna.  Amateur and AWA presence in the Newark bunker led to the donation to the AWA Museum of the TMC HF communications equipment.

The site originally planned for Sonyea was relocated to Batavia, NY behind the NY School for the Blind.  The communication equipment at this site was eventually turned over to the local radio club, where it supported ARES/RACES activities.  SEMO decided to discard the equipment, and a local ham saved it from the dump.  In September 2012, this equipment, together with manuals and spares, was relocated to my QTH in North Carolina.  The entire station is now in the care of Brown Beezer W1NZR.

It seems likely that the site originally planned for Saratoga was actually located at Queensbury.  Examination of satellite views of this site clearly shows the head-end of the bunker, as well as radio masts.

At some point, the state decided to try to save money on the sites by turning off the power.  However, the sites were below grade, so this decision turned out to be a disaster--some of the sites flooded!  This was, reportedly, the fate of the Oneida site, which the state turned over to the Oneida Indian Nation. 

For the curious, there's an interesting video on YouTube (by a couple of urban explorers who call themselves "The Proper People") that explores the Poughkeepsie site.  Early in the video, the explorers come upon the SBT-1K transmitter in the bunker, and given that no one but a few hams have operated anything like this transmitter in recent years, these guys actually make a pretty good stab at its function.  See: https://www.youtube.com/watch?v=LJl7z4i5Tos

The sites in Queensbury/Glen Falls, Newark, and Poughkeepsie were still in use in 2015, housing modern communications equipment and various other facilities.  See below for a virtual tour of the Newark site.

Master Control Site--Albany

The radio installation at the Master Control Site at Albany was quite a bit more elaborate than those at the Auxiliary Sites.  There were two transmitters, an SBT-1KS (like the ones at the Aux Sites) and a synthesized SBT-1KS (with SBG-1 exciter).  There were two "main" receivers, both GPR-92A's, and 2 "plug-in" receivers, FFR's.  Also installed were a variety of tone keyers and decoders, teletype and FAX equipment, patch panels, antenna tuners, dummy loads, and much more.  With the exception of some of the RTTY interface gear, most of the equipment was furnished and installed by TMC.

There is an excellent website that provides information and photos of the Albany Master Control site: https://restorationobscura.substack.com/p/albanys-cold-war-master-control-site

You can read the original Request for Quotation for the Albany installation here:  Specification for Emergency Communications System.  It's an interesting document, and it's pretty clear that TMC was the intended vendor from the beginning.

Below are some photos of the Albany installation:

albany_1.jpg (720786 bytes) albany_2.jpg (860032 bytes) albany_3.jpg (687121 bytes) albany_4.jpg (663291 bytes)
OCD (Office of Civil Defense) Installation in basement of bomb-proof shelter at Albany, New York showing RF and audio distribution system, transmitters and spectrum analyzer.  Transmitters are shock mounted to floor and to rear wall.  These transmitters are modified to operate at 1.75 Mcs. View of OCD Installation in bomb-proof shelter at Albany, New York showing shock-mounted console, spectrum analyzer, receiver and transmitter antenna distribution system, and two 1KW transmitters. OCD Installation in basement of bomb-proof shelter at Albany, New York.  All equipment shock-mounted. Shown in the picture are, left to right:  Cheryl Ann Bednarowski, Roxanne Vallee, Office Secretary and Mr. Douglas D. Couse, Supervisor of Civil Defense Radio Services. OCD Installation in basement of bomb-shelter at Albany, New York showing operator console with GPR-92 receivers, SPU-2 Speech Processing Unit, and FFR-3 Fixed Frequency Receivers mounted in CON-5.

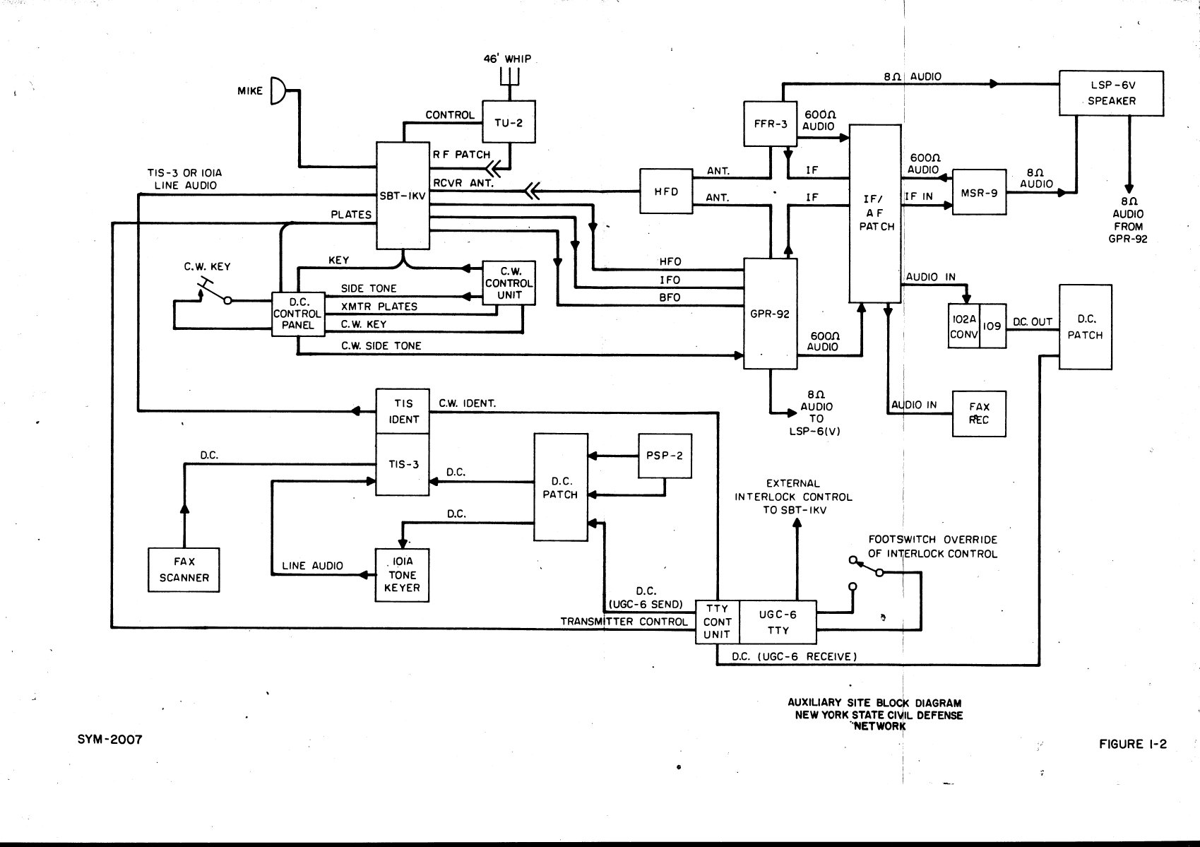
Auxiliary Site Equipment

Auxiliary sites included a diesel generator set and a communications facility consisting of an SBT-1K transmitter, GPR-92A and FFR receivers, MSR sideband adapter, TTY and FAX equipment..  An illustration of a typical equipment arrangement (left) and a block diagram of the communications equipment (right) are shown below.

semo_equip.JPG (107621 bytes) semo_block_diagram.jpg (183577 bytes)
Sketch of typical equipment arrangement in an Auxiliary Site Radio Room. Block diagram of Aux Site radio equipment.

Receiving equipment consisted of an HFD antenna coupler driving an FFR and a GPR-92A (originally specified as GPR-92)  receiver.  Line outputs from the two receivers were routed through a custom patch panel, through an MSR-9 sideband adapter to an LSP loudspeaker.  Speaker outputs from the radios were routed directly to the speaker.  The audio patch panel also routed audio to the FAX receiver, and to a Tele-Signal 102A Tone Converter, through a T-S 109 Switch to a custom DC patch panel, thence to the TMC-custom-built TTY Control Unit inside the UGC-6 (KSR28) teletype machine.  The HFO, IFO, and BFO for the GPR-92A could be supplied from the VOX-5.

The station transmitter was an SBT-1KV, comprising a VOX-5, SBE-6, and PAL-1KA,  with ATS-2 antenna control and tuning units.  Operational modes included SSB speech, RTTY, FAX, and CW.  The station had ISB capability, so may have operated RTTY and SSB voice simultaneously.  For RTTY, the KSR28's current loop, routed through the TTY Control Unit, either directly to a TIS-3 Tone Keyer, or through a Tele-Signal 101A Keyer.  For FAX operation, the FAX Scanner's DC output drove the TIS-3, which produced audio tone data for transmission.  And, for CW, a key was routed through a TMC-custom-built CW Control Unit, which keyed the transmitter, and produced a side-tone that could be heard through the GPR-92A's audio system.

An operators manual for the TMC radio equipment can be seen at: Operating the Special Emergency Radio (TMC).pdf.  And the maintenance log for the "Lake District Special Emergency Radio" is at: Lake District Special Emergency Radio Manitenance Log.pdf with last entry dated 1991.

Below are a couple of TMC photos of the equipment at Auxiliary Sites:

poughkeepsie_1.jpg (588582 bytes) poughkeepsie_2.jpg (792441 bytes) TMC station - Newark.jpg (261460 bytes)
View showing SBT-1K in foreground and CON-2 in rear. Note the shock mounts to wall and floor.  This photograph is labelled "(1) Poughkeepsie" R658.9  This equipment and its arrangement appear identical to the Batavia site equipment in my collection below. This photo, kindly provided by Duncan Brown, shows the TMC equipment at the Newark site in May 2004 shortly before its relocation to the AWA Museum.

Below are some photos of the equipment originally located at Batavia:

sbt-1kv.JPG (285255 bytes) gpr-92_patch.JPG (238670 bytes) tis-3_telesignals.JPG (220902 bytes) telesignal_close.JPG (210726 bytes)
Close-up of the GPR-92A receiver and the custom DC patch panel (above). RTTY/FAX gear below the GPR-92A.  The three small units are the Tele-Signal RTTY interfaces.  Below that, a PSP-2 dual loop supply, and the TIS-3 Close-up of the Tele-Signal RTTY units.
ffr_msr.JPG (247678 bytes) speaker_patch_panels.JPG (231785 bytes) cw_control_unit.JPG (243817 bytes)
Overview of Auxiliary Station Equipment removed from Batavia Site.  SBT-1KV is at the left, receiving and patching equipment on the right.  Table top has been removed from the CON. In the right upper locations in the CON, the audio patch panel (top), MSR-9 sideband converter, and FFR receiver. In the lower left of the CON, the RF patch panel, LSP speaker, and HFD antenna distribution network. The custom CW Control Unit, lurking inside the rear door of the SBT-1K (tubes are missing--another task!).

Virtual Tour of the Newark Site

Duncan Brown, a curator at the AWA Museum in Bloomfield NY and the person responsible for working on the Museum's TMC equipment from the Newark site, kindly visited the site and took a bunch of great photos.  Enjoy the tour below, with many thanks to Duncan!

Newark NYSEMO tower from half mile away.JPG (1341031 bytes) Newark NYSEMO view from NY rt 31.JPG (1849470 bytes) Newark NYSEMO base of tower.JPG (1803212 bytes) Newark NYSEMO enterance.JPG (1658692 bytes)
The radio tower at the Newark site from 1/2 mile away. Entrance to the site off NY Hwy 31 near Newark, NY, with a great view of the very impressive tower. This shot shows the base of the main tower and the feed-lines diving underground to the bunker. The entrance to the facility, showing the entryway to the underground bunker, apparently an unremarkable little brick building.
Newark NYSEMO entrance 2.JPG (986036 bytes) Newark NYSEMO top half of tower.JPG (569505 bytes) Newark NYSEMO bottom half of tower.JPG (1425210 bytes) Newark NYSEMO TMC HF whip.JPG (888876 bytes)
Close-up of the entrance. This photo shows the top half of the tower, supported a variety of antennas. Bottom half of tower. TMC Whip Antenna remains on the site.

Duncan managed to get into the underground bunker recently, sketched out a floorplan of the facility (using the floor tiles for dimensions!), and took a bunch of photos.  A slightly redrawn diagram of the bunker is shown below:

The Stairwell lies directly below the small red-brick entrance building, shown in the photos above.  Duncan noted that the Operations Room has 32 desks, all with phones and four with GE Radio remote controls.  Desks have signs, such as:  En Con, Soc. Serv., Sal. Army, Guard, St. Pol., FBI, CAP, Fire, AG/Mkts, Labor, DOT, USDA.

Below is a gallery of photos that Duncan took of the various rooms in the bunker:

Newark NYSEMO entrance 3.JPG (785051 bytes) Newark NYSEMO going down.JPG (1072795 bytes) Newark NYSEMO entrance at bottom.JPG (918049 bytes) Newark NYSEMO entrance hallway.JPG (1037364 bytes)
Neward SEMO Entrance 3 Entrance stairway heading down Entrance doors at bottom of stairway Entrance hallway
Newark NYSEMO Operations room 1.JPG (1133206 bytes) Newark NYSEMO Operations room 2.JPG (1091587 bytes) Newark NYSEMO Operations room 3.JPG (1129436 bytes) Newark NYSEMO Operations room 4.JPG (989541 bytes)
Operations room, photo 1 Ooperations room, photo #2 Operations room, photo #3 Operations room, photo #4
Newark NYSEMO radio room.JPG (1047053 bytes) Newark NYSEMO VHF-UHF radios 1.JPG (1033151 bytes) Newark NYSEMO VHF-UHF radios 2.JPG (906763 bytes) Newark NYSEMO VHF-UHF radios 3.JPG (1123155 bytes)
Radio room from entrance VHF-UHF Radios, photo #1 VHF-UHF Radios, Photo #2 VHF-UHF Radios, Photo #3
Newark NYSEMO VHF-UHF radios 4.JPG (1330810 bytes) Newark NYSEMO VHF-UHF radios 5.JPG (1074069 bytes) Newark NYSEMO VHF-UHF radios 6.JPG (1189265 bytes) Newark NYSEMO VHF-UHF radios 7.JPG (1101165 bytes)
VHF-UHF Radios, photo #4 VHF-UHF Radios, photo #5 VHF-UHF Radios, photo #6 VHF-UHF Radios, photo #7
Newark NYSEMO WA2AAZ 1.JPG (1367137 bytes) Newark NYSEMO WA2AAZ 2.JPG (1362888 bytes) Newark NYSEMO Motorola Micom 1000 HF radio.JPG (1114889 bytes) Newark NYSEMO Motorola Micom HF exciter.JPG (1067392 bytes)
Amateur Radio Station WA2AAZ, photo #1 WA2AAZ, photo #2 Motorola Micom 1000 HF Radio Close-up of Micom 1000
Newark NYSEMO Motorola Micom HF KW.JPG (1322578 bytes) Newark NYSEMO MDS 960D data radio.JPG (2032874 bytes) Newark NYSEMO Harris RF-103 KW.JPG (1018256 bytes) Newark NYSEMO Digital MUX + sattelite modem.JPG (1253212 bytes)
Micom 1000 1KW HF Amp MDS 960D Data Radio Harris RF-103 KW HF Radio Digital MUX + Satellite Modem
Newark NYSEMO left hall.JPG (957635 bytes) Newark NYSEMO right hallway.JPG (985217 bytes) Newark NYSEMO air filtration.JPG (1163674 bytes) Newark NYSEMO generators.JPG (1239460 bytes)
Left hallway Right hallway Air filtration system Generators
Newark NYSEMO kitchen 2.JPG (1031707 bytes) Newark NYSEMO kitchen 1.JPG (1007998 bytes) Newark NYSEMO dinning hall.JPG (1011635 bytes) Newark NYSEMO laundry.JPG (871467 bytes)
Kitchen Another view of the kitchen. Dining Hall Laundry
Newark NYSEMO dorm - now county 911 backup.JPG (1158082 bytes) Newark NYSEMO infirmary.JPG (867539 bytes)    
View inside the Dorm--now county 911 backup facility Infirmary    

Where are They?

Thanks to google maps and its satellite view function, it's possible to play a geeky version of Where's Waldo with the OCD/SEMO locations.  Below is a list of addresses for the headquarters and five regional offices of the NY Emergency Management Office, along with satellite photos and links to Google maps:

Headquarters
NY State Office of Emergency Management
1220 Washington Ave
Bldg #22 Ste 101
Albany, NY 12226-2251
518-292-2200
Link to Google Maps

If you follow the google maps link, you can see a couple of vertical antennas just north of the building in the lower left center, evidently the headquarters building.

albany.gearth.jpg (108646 bytes)
Region I
Suffolk State Office Building
250 Veteran's Memorial Highway
Room 4A7 Hauppage, NY  11788-5506
518-292-2411
Link to Google Maps

I can't find any evidence of a bunker or radio tower at this address.. if you live near Hauppage, see what you can find there!

hauppage_sat.jpg (58085 bytes)
Region II
171 Cheney Drive
Poughkeepsie, NY 12601-1011
518-292-2421
Link to Google Maps

Look to the NNW of the address; there's a wide, curving driveway off Cheney Drive, and if you zoom in, you can see the entrance to the bunker, built into the hillside.  Just to the west of the entrance is a large radio tower.

poughkeepsie_sat.jpg (57308 bytes)
Region III
Bunker Drive
Oneonta, NY 13820
Link to Google Maps

The Oneonta site is impossible to see in this satellite view but it is just to the right of the cell tower at the center of the image.  See discussion below.

5 Fox Farm Road
Queensbury, NY 12804-1107
518-292-2430
Link to Google Maps

The Queensbury (Glen Falls) site is evidently still in use, and it's pretty easy to see the entrance to the bunker, just at the SE edge of the parking lot left of center of the photo.  The tower is not easy to see in this photo (it's easier to spot in the Google Maps image), but you can see its shadow.

queensbury_sat.jpg (62984 bytes)
Region IV
1352 Union St.
Oneida, NY 13421
Link to Google Maps

Thanks to Duncan Brown for cleverly locating the Oneida site via its FCC callsign info!  The antenna mast is visible via its shadow, and the bunker entrance is likely close to the google maps marker.

 
Region V
2A Richmond Ave
Batavia, NY 14020
Link to Google Maps

The address above is for the School for the Blind.  On the image to the right, at the top center of the image, the access road curves up and stops.  The entrance to the bunker is at the end of this road.  No tower is visible, but I have it from reliable sources that the Batavia SEMO site was right there.. :)  More on the Batavia site below.

1144 East Union Street
Newark, NY 14513-9802
518-292-2451
Link to Google Maps

The Newark site was temporarily closed in 2010 because of water leaks.  However, nothing has been removed from the site (see photos above).  If you examine the photo to the right, or visit the google map reference, you can easily see the tower and surrounding buildings, as well as the entrance from NY Hwy 31.

newark_sat.jpg (65412 bytes)

The Batavia Auxiliary Site has been largely abandoned.  It's also quite difficult to find.  Fortunately, Duncan Brown has been there, and provided the following directions and commentary:

The Batavia site is behind the NY State School for the Blind.  If you go east from the VA Hospital on Richmond Ave, then turn north on State St, then turn left on State School St., you will see the street curve to the north and then end in a parking lot out in the middle of nowhere.  Look closely and you will see the overgrown fence surrounding the area.  I don't think the tower is still there, I can't see anything of it.  The bunker is at the same level as the parking lot (no stairs), with the entrance under the big tree at the NE corner of the parking lot. You entered through about 20-30' of 8' diam. culvert and then came to the bunker about were the stairs are in Newark.  There was nodoor on the outer end of the culvert, just bars like a wrought iron fence. The bunker is running E-W.

We went in with flashlights and the walls glistened with condensation. Someone saw a light switch, flipped it, and the lights came on!  It was pretty cleaned out, but we managed to pull the Teletype Corp. M28 ASR out of there for the Museum. The M28 cleaned up and works, but there was a klugey-looking box on the side of the M28 with two big indicator lamps and a Morse hand key sticking out of the box.  I figured it was some ham modification, so I removed & discarded it.  Soon after, you posted TMC document SYM-2007 that details some of mods for the NYS system and the box is there! (So now I am going to have to resurrect it!)

The Oneonta Site is on Bunker Drive behind (and above) the SUNY campus.

Sat view of Oneonta SEMO Site

Radio equipment at Oneonta Site

Contemporary view of bunker entrance

 

The tower appears to be a modern cell tower, so the original comm's tower from the bunker may have been taken down at some point.  The 2nd photo, bottom row, shows the original comm's tower.

Duncan Brown (AWA Museum) provided the following commentary about the Oneonta site:

I had heard that the Oneonta SEMO Eastern District Office had replaced the HQ in Albany. Another source (https://restorationobscura.substack.com/p/albanys-cold-war-master-control-site)
said that "Oneonta was a backup for Albany".

Now that we know the site call signs (from "Operating the Special Emergency Radio (TMC)", p. 1), something interesting poped up:  In the Oct 5, 2017, Albany Timers Union article, there is a
picture of the Oneonta TMC station (enclosed).  Looking closely at the TX, you can see the call letters of the  station ""KXD-247".  Note that the "247" is a paper label.  But in the 1979
"Operating..." book, "KXD-247" was assigned to "Headquarters, Albany". "KXD-251" was assigned to "Eastern District, Oneonta".

So, apparently at some time after 1979, Oneonta did operate as a combined HQ & Eastern District station.

(Note: this picture of the enclosed TMC station was definitely taken at one of the remote sites, not Albany, as Albany had more equipment (as seen on  TMChistory.org).
 
..where "enclosed TMC station" refers to the right-hand most photo above.

Chris, KD2PFE reported:

"I believe there was a SEMO bunker constructed behind SUNY Oneonta on the
grounds of what had been a State sanitarium (TB, I think).  I saw the
entrance and comms tower but was unable to convince the officials to let me
explore any deeper, this facility does not appear on the map on the link."

SUNY Oneonta is seeking permission to demolish the site, so with any luck, Chris will get a chance to do a quick tour and take photos before that happens!